+48 22 59 05 000

pn.-pt. 8-20

Kontakt i pomoc^
Kontakt i pomoc
Zamów rozmowę
Napisz do nas
Pomoc w kredycie
Bezpłatna analiza działki
logo
ulubione 0
REKLAMA
REKLAMA
AG162

Manuela II G1

wersja lustrzana
Rzuty
Działka
Parametry
Koszty
Podobne
Zmiany
Dokumentacja
Dodatki
REKLAMA

Rzuty, przekrój, elewacje

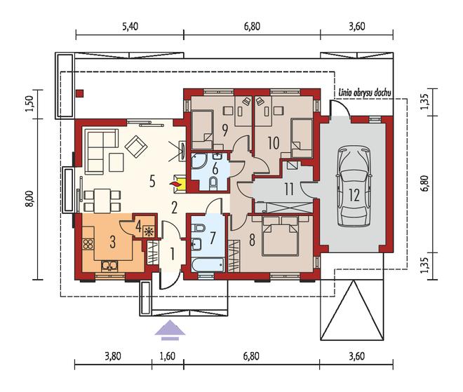
Parter 78,09 m2
Wersja lustrzana
Pomieszczenie Użytkowa
1
przedsionek
2,24 m2
2
hol
7,55 m2
3
kuchnia
8,14 m2
4
spiżarnia
1,05 m2
5
pokój dzienny + jadalnia
21,37 m2
6
łazienka
2,92 m2
7
łazienka
4,69 m2
8
sypialnia
11,79 m2
9
sypialnia
8,4 m2
10
sypialnia
9,94 m2
Razem 78,09 m2
11
kotłownia
6,09 m2
12
garaż
19,78 m2

W nawiasach podano powierzchnie pomieszczenia netto

Przekrój
Wersja lustrzana
Przekrój
Kąt nachylenia dachu 25°
Wysokość budynku 5,85 m
REKLAMA

Działka

Wybór działki to jedna z ważniejszych decyzji poprzedzających budowę wymarzonego domu. Oczywiście najważniejsza jest jej lokalizacja, ale trzeba także przeanalizować lokalne ograniczenia wyszczególnione w miejscowym planie zagospodarowania przestrzennego lub w warunkach zabudowy. Często zapisy w w/w dokumentach uniemożliwiają budowę wybranego projektu i trzeba szukać dalej.

Ważne jest także usytuowanie działki i domu względem stron świata, gdyż to właśnie decyduje o stopniu nasłonecznienia poszczególnych pomieszczeń. Dlatego każdy projekt oferujemy w dwóch wersjach: podstawowej oraz lustrzanej, aby można było wybrać najkorzystniejszy układ pomieszczeń względem stron świata, a także względem ukształtowania krajobrazu w otoczeniu działki.

Wymiary działki
Wymiary działki (szerokość x głębokość), na której możliwe jest wybudowanie domu. Wynikają one z wymiarów budynku powiększonych o wymagane przepisami odległości poszczególnych elementów budynku od granic działki. Rzeczywistą odległość od drogi należy sprawdzić i dostosować do wymogów zawartych w MPZA lub WZ.
22.80 x 17.50 m
Przekrój
Wersja lustrzana

Parametry

Dane Techniczne
Technologia i materiały
Parametry cieplne
Powierzchnia użytkowa
Suma powierzchni pomieszczeń mierzona po wewnętrznym obrysie ścian. Na jej wielkość ma wpływ wysokość pomieszczenia i jest liczona: – w 100% – przy wysokości w świetle powyżej 2,2 m, – w 50% – przy wysokości między 1,4 m a 2,2 m, – pomija się – przy wysokości poniżej 1,4 m. Do powierzchni użytkowej domu nie dolicza się powierzchni niektórych pomieszczeń, np. piwnicy, garażu, kotłowni, strychu.
78,09 m2
Powierzchnia zabudowy
Powierzchnia mierzona po obrysie zewnętrznych krawędzi wykończonego budynku z uwzględnieniem powierzchni nadwieszonych (np. wykusz). Nie dolicza się do niej elementów drugorzędnych (np. schodów zewnętrznych, daszków, ramp) oraz elementów niewystających ponad powierzchnię terenu
132,53 m2
Powierzchnia netto
Powierzchnia wszystkich pomieszczeń budynku mierzona na poziomie podłogi, po wewnętrznym obrysie ścian w stanie wykończonym. Na jej wartość nie wpływa wysokość pomieszczeń.
109,69 m2
Powierzchnia dodatkowa
Dodatkowe powierzchnie niewliczane do powierzchni użytkowej: piwnica + garaż + kotłownia + strych + poddasze do adaptacji.
25,87 m2
Powierzchnia garażu
19,78 m2
Kąt nachylenia dachu
25°
Kubatura
Objętość budynku liczona wraz z przegrodami zewnętrznymi i wewnętrznymi (ścianami, stropem, dachem i podmurówką)
294,3 m3
Wysokość budynku
Wysokość mierzona od poziomu terenu przy wejściu do budynku do najwyższego punktu dachu – kalenicy
5,85 m
Wymiary budynku
15,8 x 9,5 m
Wymiary działki
Wymiary działki (szerokość x głębokość), na której możliwe jest wybudowanie domu. Wynikają one z wymiarów budynku powiększonych o wymagane przepisami odległości poszczególnych elementów budynku od granic działki. Rzeczywistą odległość od drogi należy sprawdzić i dostosować do wymogów zawartych w MPZA lub WZ
22,8 x 17,5 m
Pokoje (z salonem)
Liczba wszystkich pokoi
4
Łazienki i wc
Suma łazienek i wc
2
Miejsca postojowe
Suma miejsc postojowych (garaż + wiata garażowa)
1
Sezonowość
Całoroczny
REKLAMA

Opis projektu

Charakterystyka: Dom parterowy, niepodpiwniczony, z garażem jednostanowiskowym
Przeznaczenie: Dom dla 2-4-osobowej rodziny 

Technologia i konstrukcja:
Ściany zewnętrzne: murowane, dwuwarstwowe, beton komórkowy 24 cm, ocieplenie wełna mineralna 12 cm
Strop: gęstożebrowy Teriva, ocieplenie wełna mineralna 28 cm
Dach: konstrukcja drewniana, dachówka ceramiczna lub cementowa, więźba dachowa dostępna również w systemie prefabrykacji drewnianej 

Rozwiązania instalacyjne:
Ogrzewanie: kocioł gazowy kondensacyjny, rozprowadzenie ciepła: grzejniki
Wentylacja: grawitacyjna 

Wykończenie:
Elewacje: tynk cienkowarstwowy mineralny w kolorze kremowym, okładzina drewniana
Stolarka: drewniana, PVC lub aluminiowa, rolety zewnętrzne w systemie CleverBox firmy BeClever
Otoczenie:
 system tarasowy ProDeck - deska kompozytowa Terra w kolorze wiśnia i platyna

Wersje - zapytaj o dostępność:
- Manuela - z dachem dwuspadowym, drobne zmiany w aranżacji wnętrza, bez garażu lub z garażem jednostanowiskowym
- Manuela II – inne wykończenie elewacji, bez garażu
- odbicie lustrzane do każdej wersji 

Istnieje techniczna możliwość:
- podpiwniczenia budynku
- zmiany kąta nachylenia dachu do 30º oraz adaptacji poddasza na strych
- wykonania budynku w technologii szkieletowej

Koszty

Orientacyjne koszty budowy netto - wycena wskaźnikowa Ceny aktualne na: IV kwartał 2025
Jak dokonujemy wyliczeń? icon arrow
Razem (etapy 1-3): 349 700 zł
1. Stan zero
Koszt etapu 79 100 zł
Zakres prac

wytyczenie budynku i roboty ziemne; ławy i stopy fundamentowe; ściany podziemne z izolacjami cieplnymi i przeciwwilgociowymi

2. Stan surowy otwarty
Koszt etapu + 225 200 zł
Zakres prac

ściany murowane zewnętrzne i wewnętrzne; stropy i schody wewnętrzne; konstrukcja dachu z pokryciem, obróbkami, rynnami i rurami spustowymi; podłoża pod posadzki ( np. chudy beton)

3. Stan surowy zamknięty
Koszt etapu + 45 500 zł
Zakres prac

Stan zero (wytyczenie budynku i roboty ziemne; ławy i stopy fundamentowe; ściany podziemne z izolacjami cieplnymi i przeciwwilgociowymi) oraz stan surowy (ściany murowane z zewnętrzne i wewnętrzne; stropy i schody wewnętrzne, konstrukcja dachu z pokryciem, obróbkami, rynnami i rurami spustowymi; podłoża pod posadzki (np. chudy beton), okna i drzwi zewnętrzne; bramy garażowe; warstwy wyrównawcze pod posadzki na gruncie i na stropie z izolacjami cieplnymi i przeciwwilgociowymi).

Razem (etapy 1-3): 349 700 zł
4. Instalacje elektryczne
Koszt etapu od 62,40 do 219,70 zł/m2

*

Zakres prac

wewnętrzna instalacja oświetleniowa; instalacja gniazd wtykowych; instalacja siły oraz instalacja odgromowa i inne wewnętrzne instalacje teletechniczne

5. Instalacje sanitarne
Koszt etapu od 232,70 do 910 zł/m2

**

Zakres prac

wewnętrzna instalacja wod. - kan. z przyborami sanitarnymi i bateriami; instalacja c.o. z kotłem i grzejnikami, bez kominka; instalacja gazowa bez osprzętu kuchennego; wentylacja mechaniczna ( jeśli występuje)

6. Wykończenie zewnętrzne
Koszt etapu od 126,10 do 638,30 zł/m2

***

Zakres prac

system dociepleń i tynki zewnętrzne z malowaniem; okładziny elewacyjne; balustrady, parapety zewnętrzne i inne roboty zewnętrzne np. taras, opaski wokół domu, schody zewnętrzne

7. Wykończenie wewnętrzne
Koszt etapu od 429 do 878,80 zł/m2

***

Zakres prac

tynki wewnętrzne, drzwi i okna wewnętrzne, lekkie ścianki działowe, roboty malarskie, posadzki i inne prace wykończeniowe

* w zależności od ilości punktów elektrycznych na 1m2

** w zależności od ilości punktów sanitarnych na 1m2 oraz ilości (odległości) instalacji rurowej

*** w zależności od rodzaju użytych meteriałów i specyfikacji wykończenia

REKLAMA

Zmiany w projekcie

Zobacz zakres zmian, które możesz wprowadzić, w tym projekcie bez zgody autora.
Lista możliwych zmian

Jeśli zmiany, które chcesz wprowadzić nie są ujęte w powyższym zestawieniu, skontaktuj się z nami. Nasz architekt przeanalizuje i doradzi, które z Twoich propozycji warto wdrożyć. O zgodę na zmiany możesz wystąpić nie tylko w momencie zakupu projektu, ale także później i otrzymasz ją bezpłatnie w ciągu kilku dni.

Dokumentacja (zawartość pakietu projektowego)

Dodatki

Pakiet dodatków, który otrzymasz razem z projektem

addon
Teczka inwestora
Do przechowywania niezbędnej dokumentacji
addon
Kupony rabatowe na zakupy
Dzięki którym zaoszczędzisz nawet kilkanaście tysięcy złotych.
addon
Projekty małej architektury
Wybudujesz samodzielnie m.in. domek dla dzieci czy altanę z grillem.
Pamiętaj
dostawa
Wysyłkę projektu ze wszystkimi dodatkami na terenie Polski bierzemy na siebie. Ty wybierasz, gdzie odbierzesz swój projekt. Masz do wyboru kuriera DPD lub punkty Paczkomat InPost 24/7.
zwroty

Masz 30 dni na zwrot i 365 dni na wymianę projektu